产品简介
FT91 是专门针对高性能原子钟测试设计的高性能频率比对器,可实现 1-30MHz 任意频点测量,在 10MHz 时实测附加稳定度可达1.2×10-13,且此模块内部集成了高性能特种时钟,在被测和标准信号存在任何频差的情况下均不影响实测性能。
产品特点
本底低至 1.2×10-13/1S,2×10-15/1000S
被测输入频率 1-30MHz,标准输入频率 10MHz
快速测定被测频率,自动启动测量
可配合特定软硬件组成批量测试系统
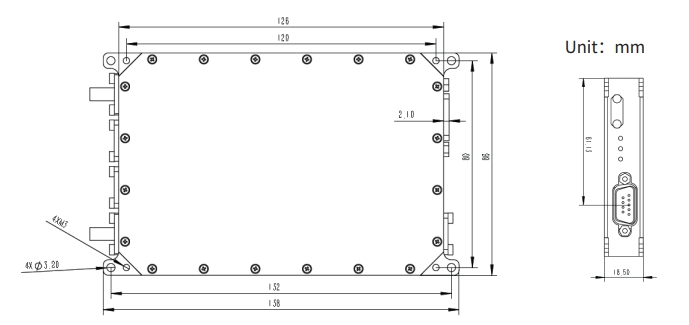
典型曲线![]() ![]() 外观尺寸管脚定义: 1:地 2:N/C
3:RS232-TX 4:RS232-RX
5:锁定指示 6:电源 +12~+15V
7:N/C 8:地
9:N/C
![]() |
应用场景技术参数 |
|||||
|---|---|---|---|---|---|---|
产品文档
FT91【PDF】数据表
PDF





