产品描述
Microsemi公司的SA.22c全能铷原子钟,外形紧凑,功耗较低,适用温度范围广泛,输出的频率多样,具备外部1PPS(比如GPS)驯服,以及1PPS输出功能,适合广泛的同步应用场合,包括电力、电信网络设备,手持测试和测量设备等。
SA.22c可以通过串口通信提供动态频率控制,选择频率输出是否有效,并且提供序列号、运行时间,运行温度,历史事件,自测性能等信息的查询。
主要特点
● 1PPS驯服功能
● 低功耗
● 宽温运行
● 结构紧凑
● 提供一路标准的10MHz正弦信号
● 小封装,适合多种需要小体积铷钟的应用
● 低工作电压
● 符合RoHS认证
● 结构紧凑
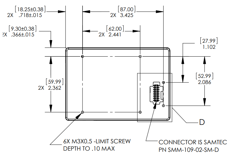
J1 Connector Pinout![]() 技术指标
|
Mechanical Specifications
|
|||||||||||||||||||||||||||||||||||||||||||||||||||||||||||||||||||||||||||||||||||||||||||||||||||||||||||||||||||||||||||||||||||
SA.22c全能型原子钟【PDF】数据表
PDF








